NCC 2022 Volume One - Building Code of Australia Class 2 to 9 buildings
Classification
Building class 1a Building class 1b Building class 2 Building class 3 Building class 4 Building class 5 Building class 6 Building class 7a Building class 7b Building class 8 Building class 9a Building class 9b Building class 9c Building class 10a Building class 10b Building class 10c

Filter

Classification
Building class 1a Building class 1b Building class 2 Building class 3 Building class 4 Building class 5 Building class 6 Building class 7a Building class 7b Building class 8 Building class 9a Building class 9b Building class 9c Building class 10a Building class 10b Building class 10c

D3

Part D3 Construction of exits

Part D3 Construction of exits

Introduction to this Part

This Part contains Deemed-to-Satisfy Provisions for Part D1. It covers safety aspects of parts of a building including stairways, ramps, handrails, balustrades, fall prevention barriers and operation of doors that are part of an exit. It also covers fall prevention requirements for openable windows.

Deemed-to-Satisfy Provisions

(1) Where a Deemed-to-Satisfy Solution is proposed, Performance Requirements D1P1 to D1P6, D1P8 and D1P9 are satisfied by complying with—

  1. D2D2 to D2D23, D3D2 to D3D30 and D4D2 to D4D13; and
  2. in a building containing an atrium, Part G3; and
  3. in a building in an alpine area, Part G4; and
  4. for a building containing an occupiable outdoor area, Part G6; and
  5. for additional requirements for Class 9b buildings, Part I1; and
  6. for public transport buildings, Part I2; and
  7. for farm buildings and farm sheds, Part I3.

(2) Where a Performance Solution is proposed the relevant Performance Requirements must be determined in accordance with A2G2(3) and A2G4(3) as applicable.

(3) Performance RequirementD1P7 must be complied with if lifts are to be used to assist occupants to evacuate a building.

Notes

There are no Deemed-to-Satisfy Provisions for D1P7 in respect of using lifts to assist occupants to evacuate a building.

To clarify that the requirements of D1P1 to D1P6, D1P8 and D1P9 will be satisfied if compliance is achieved with Parts D2, D3 and D4 in the case of all buildings, Part G3 in the case of buildings with an atrium, Part G4 in the case of buildings in alpine areas, Part G6 in the case of occupiable outdoor areas, Part I1 in the case of theatres, stages and public halls, Part I2 for public transport buildings and Part I3 for farm buildings and farm sheds. D1P7 is only required to be complied with if lifts are to be used to assist occupants to evacuate.

See Deemed-to-Satisfy Provisions of D2D1.

NCC Blurbs

(1) Except for—

  1. D3D14, D3D15(a), D3D17, D3D18, D3D19, D3D20, D3D22(5), D3D22(6), D3D26 and D3D29, the Deemed-to-Satisfy Provisions of this Part do not apply to the internal parts of a sole-occupancy unit in a Class 3 building; and
  2. D3D14, D3D15(a), D3D17, D3D18, D3D19, D3D20, D3D22(5), D3D22(6), D3D23 and D3D29, the Deemed-to-Satisfy Provisions of this Part do not apply to the internal parts of a sole-occupancy unit in a Class 2 building or Class 4 part of a building.

(2) In a Class 9b building used as an entertainment venue

  1. Clauses NSW D3D14(1)(i), (j), and (k), NSW D3D16(d), NSW D3D18(1)(d), and NSW D3D24(2)(e) apply to only those parts of the building used by the public; and
  2. the general requirements of Part D3 apply to all other parts of the building.
NCC Title
Application of Part
NCC State
NSW
NCC Variation Type
Replacement
NCC SPTC Current
Application of Part

Except for—

  1. D3D14, D3D15(a), D3D17, D3D18, D3D19, D3D20, D3D21, D3D22(5), D3D22(6), D3D26 and D3D29, the Deemed-to-Satisfy Provisions of this Part do not apply to the internal parts of a sole-occupancy unit in a Class 3 building; and
  2. D3D14, D3D15(a), D3D17, D3D18, D3D19, D3D20, D3D21, D3D22(5), D3D22(6), D3D23 and D3D29, the Deemed-to-Satisfy Provisions of this Part do not apply to the internal parts of a sole-occupancy unit in a Class 2 building or Class 4 part of a building.

To clarify that Part D3 does not apply within a sole-occupancy unit in a Class 3 building (except for D3D14, D3D15(a), D3D17, D3D18, D3D19, D3D20, D3D22(5), D3D22(6), D3D26 and D3D29) nor within a sole-occupancy unit in a Class 2 building or Class 4 part (except for D3D14, D3D15(a), D3D17, D3D18, D3D19, D3D20, D3D22(5), D3D22(6), D3D26 and D3D29).

Where a path to the door is not a path of travel to an exit

Except as outlined below, Part D3 does not apply within sole-occupancy units in Class 2 or Class 3 buildings or Class 4 parts. The path from within the units to the door opening from them is not regarded as a path of travel to an exit. For these buildings, the path of travel to an exit commences at the outside of the door to the sole-occupancy unit. The path inside the unit, leading to the door, is part of the “evacuation route” (see the definition of this term in Schedule 2).

Exceptions

D3D14 deals with the construction of stair treads and risers. For the safety of people moving within a sole-occupancy unit, it is important that stair treads and risers are safe to use.

D3D15(a) requires the installation of landings in stairways. For the safety of people moving within a sole-occupancy unit, it is important that landings be provided. This also links with D3D15(a) to limit the maximum number of risers in a flight of stairs to 18.

D3D17 to D3D21 deal with barriers. Appropriate barriers are required to minimise the risk of people falling from a landing, balcony, roof with public access, flight of stairs and the like.

D3D23 allows steeper stairs and ladders to infrequently used areas of a building. This concession applies to infrequently used areas such as machinery rooms, boiler rooms, etc and attics and storerooms in sole-occupancy units in Class 2 buildings and Class 4 parts. Under D3D23, the designer has the choice of designing the stair, landing, barrier and handrail to comply with the appropriate provisions of the NCC or with AS 1657.

A stairway or ramp (including any landings) that is required to be within a fire-resisting shaft must be constructed—

  1. of non-combustible materials; and
  2. so that if there is local failure it will not cause structural damage to, or impair the fire-resistance of, the shaft.

To maintain a sufficient level of fire safety to enable the use of fire-isolated stairways and ramps during an emergency.

Materials and construction methods

D3D3 sets the criteria for the materials and methods of construction used in stairways and ramps within a fire-resisting shaft.

Integrity of fire protection to be maintained—D3D3(a) and (b)

D3D3(a) and (b) set out the requirements for maintaining the integrity of the fire protection to the shaft of a fire-isolated stairway and ramp. These provisions reflect the fact that:

  • occupants who use the stairway or ramp during a fire will expect to remain reasonably safe while evacuating, relying on the protection provided by the fire-isolated stairways and ramps to safely evacuate the building; and
  • the stairway or ramp provides protection to the fire brigade to undertake search and rescue, and fire-fighting operations.

In a building having a rise in storeys of more than 2, required stairs and ramps (including landings and any supporting building elements) which are not required to be within a fire-resisting shaft, must be constructed according to D3D3, or only of—

  1. reinforced or prestressed concrete; or
  2. steel in no part less than 6 mm thick; or
  3. timber that—
    1. has a finished thickness of not less than 44 mm; and
    2. has an average density of not less than 800 kg/m3 at a moisture content of 12%; and
    3. has not been joined by means of glue unless it has been laminated and glued with resorcinol formaldehyde or resorcinol phenol formaldehyde glue.

To maintain a sufficient level of safety for the use of stairways and ramps during an emergency.

Safe egress required

Where the installation of non-fire-isolated stairways and ramps is required by the NCC, they must provide a safe means of egress.

Such stairways and ramps will not be within a fire-resisting shaft, but they are nonetheless expected to be structurally sound, and constructed of materials which will not readily support combustion.

D3D4 requires that required non-fire-isolated stairways and ramps must be either constructed in accordance with D3D3 or the alternative options set out in D3D4(a) – (c).

Glued timber members—D3D4(c)(iii)

D3D4(c)(iii) permits the use of glued timber members under certain conditions. The aim of these conditions is to minimise the risk represented by certain types of glue which delaminate during a fire.

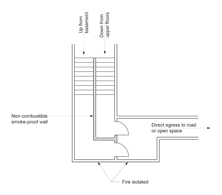
If a stairway serving as an exit is required to be fire-isolated—

  1. there must be no direct connection between—
    1. a flight rising from a storey below the lowest level of access to a road or open space; and
    2. a flight descending from a storey above that level; and
  2. any construction that separates or is common to the rising and descending flights must be—
    1. non-combustible; and
    2. smoke proof in accordance with S11C2.

To minimise the risk that an occupant mistakenly passes the lowest storey providing escape when evacuating.

Risk of missing the lowest egress floor—D3D5(a)

A danger exists that, in an emergency, a person may mistakenly pass the lowest floor providing direct egress to a road or open space. D3D5(a) minimises the risk of this by requiring that there is no direct connection between the rising and descending flight of a stairway at the level from which egress is obtained.

Separation required—D3D5(b)

If, in order to achieve D3D5(a), rising and descending flights of stairs are separated by construction (which may in places be common to the two flights), that construction must comply with the smoke separation requirements contained in Clause 2 of Specification 11.

Figure D3D5 illustrates one method of compliance with D3D5.

Figure D3D5: Plan showing one method of compliance with D3D5

Image
Figure D3D5: Plan showing one method of compliance with D3D5

Where an open access ramp or balcony is provided to meet the smoke hazard management requirements of E2D4 to E2D13, it must—

  1. have ventilation openings to the outside air which—
    1. have a total unobstructed area not less than the floor area of the ramp or balcony; and
    2. are evenly distributed along the open sides of the ramp or balcony; and
  2. not be enclosed on its open sides above a height of 1 m except by an open grille or the like having a free air space of not less than 75% of its area.

To specify the requirements for natural ventilation of smoke from an open access ramp or balcony which forms part of a required exit system.

Background

Part E2 allows the use of an open access ramp or balcony instead of stairwell pressurisation. If this option is chosen then D3D6 aims to prevent the entry of smoke into a fire-isolated exit by allowing smoke to vent naturally through an open access ramp or balcony, before it reaches the fire-isolated exit.

Ventilation openings—D3D6(a)

D3D6(a) sets out the requirements for ventilation openings where an open access ramp or balcony forms part of a required exit. This helps the evacuation of occupants using the exit by enabling the natural ventilation of smoke.

Enclosure permitted up to 1 metre—D3D6(b)

The reason for permitting an enclosure up to a height of one metre under D3D6(b) is to allow for a solid barrier or balcony.

No more than 25 percent enclosed above 1 metre—D3D6(b)

Note that the opening above one metre cannot be enclosed for more than 25 percent of the area of its sides. This allows for adequate smoke ventilation, while permitting some limited enclosure.

Figure D3D6 illustrates three methods of compliance with D3D6, and one method that does not comply.


Figure D3D6: Plan showing compliance and non-compliance with D3D6

Image
Figure D3D6: Plan showing compliance and non-compliance with D3D6

A smoke lobby required by D2D12 must—

  1. have a floor area not less than 6 m2; and
  2. be separated from the occupied areas in the storey by walls which are impervious to smoke, and—
    1. have an FRL of not less than 60/60/– (which may be fire-protective grade plasterboard, gypsum block with set plaster, face brickwork, glass blocks or glazing); and
    2. extend from slab to slab, or to the underside of a ceiling with a resistance to the incipient spread of fire of 60 minutes which covers the lobby; and
    3. any construction joints between the top of the walls and the floor slab, roof or ceiling must be smoke sealed with intumescent putty or other suitable material; and
  3. at any opening from the occupied areas, have smoke doors complying with S12C3 and S12C4 except that the smoke sensing device need only be located on the approach side of the opening; and
  4. be pressurised as part of the exit if the exit is required to be pressurised under E2D3.

To prevent smoke entering a fire-isolated exit.

Smoke lobbies required by D2D12

D3D7 only applies to a smoke lobby required by D2D12.

A smoke lobby required by D2D12 must be constructed in accordance with each of the requirements in D3D7(a) – (d).

Intumescent putty—D3D7(b)(iii)

The intumescent putty referred to in D3D7(b)(iii) is intended to expand when exposed to fire, thus sealing any opening at the top of the lobby against smoke. If another material is proposed, it must be no less effective than the putty.

(1) Access to service shafts and services other than to fire-fighting or detection equipment as permitted in the Deemed-to-Satisfy Provisions of Section E, must not be provided from a fire-isolated stairway, fire-isolated passageway or fire-isolated ramp.

(2) An opening to any chute or duct intended to convey hot products of combustion from a boiler, incinerator, fireplace or the like, must not be located in any part of a required exit or any corridor, hallway, lobby or the like leading to a required exit.

(3) Gas or other fuel services must not be installed in a required exit.

(4) Except for in a fire-isolated exit specified in (1), services or equipment enclosed in accordance with (5) may be installed in a required exit, or in any corridor, hallway, lobby or the like leading to a required exit, where that service or equipment comprises—

  1. electricity meters, distribution boards or ducts; or
  2. central telecommunications distribution boards or equipment; or
  3. electrical motors or other motors serving equipment in the building.

(5) An enclosure for the purposes of (4) must be suitably sealed against smoke spreading from the enclosure and be—

  1. non-combustible construction; or
  2. a fire-protective covering.

(6) Electrical wiring may be installed in a fire-isolated exit if the wiring is associated with—

  1. a lighting, detection, or pressurisation system serving the exit; or
  2. a security, surveillance or management system serving the exit; or
  3. an intercommunication system or an audible or visual alarm system in accordance with D3D27; or
  4. the monitoring of hydrant or sprinkler isolating valves.

To maximise the safety of occupants evacuating to or within exits by limiting the types of services which may be located in exits and paths of travel.

Services in exits and paths of travel

Paths of travel within a building must continue to provide safe evacuation during an emergency. To achieve this, D3D8 restricts the installation of certain services in fire-isolated exits, non-fire-isolated exits, and certain paths of travel to exits. D3D8 should be read in conjunction with C4D10, which lists the services that may penetrate fire-isolated exits.

Access to services—D3D8(1)

D3D8(1) prohibits access to services (apart from fire-fighting and detection equipment) from within a fire-isolated exit because they are a potential source of smoke or fire. Doors to service enclosures, if left open, could also hamper evacuation. The prohibition also means that maintenance equipment will not be placed within the enclosure.

Chutes and ducts—D3D8(2)

D3D8(2) prohibits any chute or duct carrying products of combustion from a boiler, incinerator fireplace or the like from being installed in:

  • any required exit (i.e. both fire-isolated exits and non-fire-isolated exits); and
  • any corridor, hallway, lobby or the like leading to a required exit (i.e. it does not apply to other paths of travel to an exit).

An opening from a chute or duct that forms part of a smoke hazard management system is permitted.

Gas and fuel services—D3D8(3)

D3D8(3) prohibits the installation of any gas or other fuel service in a required exit (i.e. both fire-isolated exits and non- fire-isolated exits). This prohibition does not apply to a path of travel to an exit.

Other services—D3D8(4) and (5)

Under specified conditions, D3D8(4) allows certain electrical and communication services and equipment to be located in:

  • Any required non-fire-isolated exit (installation in required fire-isolated exits is effectively prohibited by the reference to D3D8(1)); and
  • Any corridor, hallway, lobby or the like leading to a required exit (i.e. it does not apply to other paths of travel to an exit).

Electrical wiring—D3D8(6)

D3D8(6) allows electrical wiring to be installed within a fire-isolated exit if the wiring is associated with specified equipment and systems serving the exit or systems used for alarms and monitoring of fire safety systems.

(1) Fire-isolated stairways and ramps — If the space below a required fire-isolated stairway or fire-isolated ramp is within the fire-isolated shaft, it must not be enclosed to form a cupboard or similar enclosed space.

(2) Non fire-isolated stairways and ramps — The space below a required non fire-isolated stairway (including an external stairway) or non fire-isolated ramp must not be enclosed to form a cupboard or other enclosed space unless—

  1. the enclosing walls and ceilings have an FRL of not less than 60/60/60; and
  2. any access doorway to the enclosed space is fitted with a self-closing –/60/30 fire door.

To minimise the risk of a fire starting under a stairway and endangering the safe evacuation of the building occupants.

Fire risk from spaces under stairways or ramps

Spaces under stairways are often used for a range of purposes. It is common practice to have a cleaner’s store located in such spaces. These stores often contain flammable cleaning agents.

Required fire-isolated stairways or ramps—D3D9(1)

If the stairway or ramp is fire-isolated, and the space below is part of the fire-isolated shaft, that space must not be used as a cupboard or the like.

If the stairway or ramp is fire-isolated, and the space below is not part of the fire-isolated shaft, that space may be used as a cupboard etc. This could be created by placing a fire rated slab under the flight of stairs. This is shown in Figure D3D9.

Required non-fire-isolated stairways or ramps—D3D9(2)

If the stairway or ramp is non-fire-isolated, any cupboard underneath must be fire separated from the stairway. The construction must have an FRL of 60/60/60 in both directions, with a self-closing –/60/30 fire door. 

Figure D3D9: Section showing enclosure of space below fire-isolated stairway

Image
Figure D3D9: Section showing enclosure of space below fire-isolated stairway

A required stairway or ramp that exceeds 2 m in width is counted as having a width of only 2 m unless it is divided by a handrail or barrier continuous between landings and each division has a width of not more than 2 m.

To establish requirements for the safe use of wide stairways and ramps.

Width of two metres—D3D10

Most people using stairways tend to move in easy reach of a handrail or barrier. This tendency is particularly pronounced during an emergency evacuation. The D3D10 maximum of two metres (effectively permitting a reach of one metre to either side) is considered reasonable.

Wider stairways are permitted, with more than two metres between the handrails. However, for the purposes of calculating required widths, such stairways are deemed to add no more than two metres to the aggregate required width.

Examples

If a building is required to have a path of travel to an exit with a width of four metres, a stairway with four metres of width between its handrails will not comply, as it will be deemed to only provide two metres of width. Therefore, an intermediate handrail should be provided or a further two metres must be provided by other means.

(1) A fire-isolated ramp may be substituted for a fire-isolated stairway if the construction enclosing the ramp and the width and ceiling height comply with the requirements for a fire-isolated stairway.

(2) A ramp serving as a required exit must—

  1. where the ramp is also serving as an accessible ramp under Part D4, be in accordance with AS 1428.1; or
  2. in any other case, have a gradient not steeper than 1:8.

(3) The floor surface of a ramp must have a slip-resistance classification not less than that listed in Table D3D15 when tested in accordance with AS 4586.

To allow the use of a ramp as a required exit, instead of a stairway.

Ramps instead of stairways—D3D11(1)

Under D3D11(1), a fire-isolated ramp may be used instead of a fire-isolated stairway if:

  • the construction enclosing the ramp complies with the requirements of the NCC for fire-isolated stairways; and
  • the width and ceiling height of the ramp complies with the requirements of the NCC for fire-isolated stairways.

Specified ramp gradients—D3D11(2)

D3D11(2) specifies safe gradients for a ramp used as a required exit. They are determined having regard to likely users.

Ramps for people with a disability, as specified by Part D4, require a gradient of not less than 1:14, and in other cases, not less than 1:8.

D3D11(2) relates to a ramp being used as a fire-isolated exit. If the ramp is also used for access it must comply with the requirements for such ramps in Part D4.

Surface of a ramp—D3D11(3)

Under D3D11(3), the floor surface of a ramp must be slip resistant to avoid people slipping over and injuring themselves. The surface must have a slip-resistance classification when tested in accordance with AS 4586. There are a number of parameters to be considered: two ramp slopes, two tests (the wet pendulum test or the oil-wet inclining platform test) and there are two conditions (dry or wet).

To determine the appropriate slip-resistance classification surface to apply to a ramp, it is necessary to determine the conditions (either dry, wet or both) that the relevant surface is likely to be subjected over the life of the building.

A dry surface is one that is not normally wet or not likely to become wet other than by accidental spill.

A wet surface is one that is normally wet or likely to be made wet other than by an accidental spill. This could include a surface that is exposed to weather such as an external ramp, and a surface that may, on occasions, become wet such as a surface in a transitional space like an entrance airlock or entrance lobby.

Other potentially wet affected areas such as bathrooms are not included in the NCC provisions unless they a have a ramp incorporated in them. Surfaces affected by commercial or industrial processes are regulated by the relevant workplace safety authority.

(1) The enclosing construction of a fire-isolated passageway must have an FRL when tested for a fire outside the passageway in another part of the building of—

  1. if the passageway discharges from a fire-isolated stairway or ramp — not less than that required for the stairway or ramp shaft; or
  2. in any other case — not less than 60/60/60.

(2) Notwithstanding (1)(b), the top construction of a fire-isolated passageway need not have an FRL if the walls of the fire-isolated passageway extend to the underside of—

  1. a non-combustible roof covering; or
  2. a ceiling having a resistance to the incipient spread of fire of not less than 60 minutes separating the roof space or ceiling space in all areas surrounding the passageway within the fire compartment.

To make a fire-isolated passageway safe from a fire outside.

Protection of fire-isolated passageways—D3D12(1)

Under D3D12(1), the required FRL of a fire-isolated passageway must (except as set out in D3D12(2)):

  • D3D12(1)(a)—not fall below the required FRL of any fire-isolated stairway or ramp which discharges into the passageway; and
  • D3D12(1)(b)—in every other case, not fall below 60/60/60.

The FRL test is for a fire outside the passageway, in another part of the building. It is extremely unlikely that a fire will occur inside a fire-isolated passageway.

Top of a fire-isolated passageway—D3D12(2)

Despite the requirements of D3D12(1)D3D12(2) allows the top of a fire-isolated passageway to be constructed without an FRL on the condition that its walls are built up to either of the following:

Non-combustible roof covering—D3D12(2)(a)

The top construction of a fire-isolated passageway need not have an FRL if the walls continue to the underside of a non- combustible roof covering.

Incipient spread of fire resistant ceiling—D3D12(2)(b)

Under D3D12(2)(b), a fire-isolated passageway need not have a top construction with an FRL, and need not have its walls extend to the underside of a non-combustible roof covering if the walls extend to the underside of a ceiling which is resistant to the incipient spread of fire for at least 60 minutes.

Such a ceiling will prevent the ignition of combustible materials in the roof or ceiling space from a fire below. For the ceiling to be effective, the whole fire compartment surrounding the passageway must also be covered. This will minimise the risk of a fire spreading into the fire compartment’s roof or ceiling space, and entering the passageway from above. An incipient spread of fire resistant ceiling is not required over the passageway, because it is extremely unlikely that a fire will start there.

It is important that the junction between the top of the wall and the incipient spread of fire resistant ceiling is adequately sealed to maintain the integrity of the barrier.

Figure D3D12 illustrates this comment.

Figure D3D12: Elevations showing alternative methods of protecting a fire isolated passageway from a fire in another part of the building

Image
Figure D3D12: Elevations showing alternative methods of protecting a fire isolated passageway from a fire in another part of the building

If an exit discharges to a roof of a building, the roof must—

  1. have an FRL of not less than 120/120/120; and
  2. not have any roof lights or other openings within 3 m of the path of travel of persons using the exit to reach a road or open space.

To allow a roof of a building to be used as a point of discharge from an exit.

Roof must be protected

Exits must provide egress to a road or an open space. D3D13 applies where the open space is provided by a roof. To maximise the safety of people who must use a roof as the point of discharge from an exit, such a roof is required:

  • D3D13(a)—to have an FRL sufficient to protect people on the roof from fire below during evacuation from the building; and
  • D3D13(b)—not to have any openings within three metres of the path of travel to the portion of the roof being used as open space, and from that portion to a road. This protects a person passing such openings from being affected by a fire on the other side of such openings.

Safe path of travel to road

Once on the roof, a safe path of travel must be provided to a road. See D2D15.

(1) A stairway must have—

  1. not more than 18 and not less than 2 risers in each flight; and
  2. going (G), riser (R) and quantity (2R + G) in accordance with Table D3D14, except as permitted by (2) and (3); and
  3. constant goings and risers throughout each flight, except as permitted by (2) and (3), and the dimensions of goings (G) and risers (R) in accordance with (1)(b) are considered constant if the variation between—
    1. adjacent risers, or between adjacent goings, is no greater than 5 mm; and
    2. the largest and smallest riser within a flight, or the largest and smallest going within a flight, does not exceed 10 mm; and
  4. risers which do not have any openings that would allow a 125 mm sphere to pass through between the treads; and
  5. treads which have—
    1. a surface with a slip-resistance classification not less than that listed in Table D3D15 when tested in accordance with AS 4586; or
    2. a nosing strip with a slip-resistance classification not less than that listed in Table D3D15 when tested in accordance with AS 4586; and
  6. treads of solid construction (not mesh or other perforated material) if the stairway is more than 10 m high or connects more than 3 storeys; and
  7. in a Class 9b building, not more than 36 risers in consecutive flights without a change in direction of at least 30°; and
  8. in the case of a required stairway, no winders in lieu of a landing.

NSW D3D14 Goings and risers2019: D2.13

Delete subclause D3D14(1) and insert D3D14(1) as follows:

(1) A stairway must have—

  1. not more than 18 and not less than 2 risers in each flight; and
  2. going (G), riser (R) and quantity (2R + G) in accordance with Table D3D14, except as permitted by (2) and (3); and
  3. constant goings and risers throughout each flight, except as permitted by (2) and (3), and the dimensions of goings (G) and risers (R) in accordance with (1)(b) are considered constant if the variation between—
    1. adjacent risers, or between adjacent goings, is no greater than 5 mm; and
    2. the largest and smallest riser within a flight, or the largest and smallest going within a flight, does not exceed 10 mm; and
  4. risers which do not have any openings that would allow a 125 mm sphere to pass through between the treads; and
  5. treads which have—
    1. a surface with a slip-resistance classification not less than that listed in Table D3D15 when tested in accordance with AS 4586; or
    2. a nosing strip with a slip-resistance classification not less than that listed in Table D3D15 when tested in accordance with AS 4586; and
  6. treads of solid construction (not mesh or other perforated material) if the stairway is more than 10 m high or connects more than 3 storeys; and
  7. in a Class 9b building, not more than 36 risers in consecutive flights without a change in direction of at least 30°; and
  8. in the case of a required stairway, no winders in lieu of a landing; and
  9. conspicuous edges to the treads of steps in a Class 9b building used as an entertainment venue; and
  10. in a Class 9b building used as an entertainment venue, not more than one helical stairway serving as a required exit and that stairway must—
    1. have a width of not less than 1500 mm; and
    2. be of constant radius; and
    3. be constructed so that each tread, when measured 500 mm in from its narrow end, has a width of at least 280 mm; and
  11. in a Class 9b building used as an entertainment venue, in a curved stairway serving as a required exit — an internal radius of not less than twice the width of the stair.

(2) In the case of a non-required stairway—

  1. the stairway must have—
    1. not more than 3 winders in lieu of a quarter landing; and
    2. not more than 6 winders in lieu of a half landing; and
  2. the going of all straight treads must be constant throughout the same flight and the dimensions of goings (G) is considered constant if the variation between—
    1. adjacent goings, is no greater than 5 mm; and
    2. the largest and smallest going within a flight, does not exceed 10 mm; and
  3. the going of all winders in lieu of a quarter or half landing may vary from the going of the straight treads within the same flight provided that the going of all such winders is constant.

(3) Where a stairway discharges to a sloping public walkway or public road—

  1. the riser (R) may be reduced to account for the slope of the walkway or road; and
  2. the quantity (2R+G) may vary at that location.
Table D3D14 Riser and going dimensions
Stairway location Riser (R) Going (G)Note 3 Quantity (2R + G)
Max Min Max Min Max Min
Public 190 115 355 250 700 550
Private Note 1 190 115 355 240 700 550
Table Notes
  1. Private stairways are—
    1. stairways in a sole-occupancy unit in a Class 2 building or Class 4 part of a building; and
    2. in any building, stairways which are not part of a required exit and to which the public do not normally have access.
  2. Going and riser dimensions must be measured in accordance with Figure D3D14.
  3. The going in tapered treads (except winders in lieu of a quarter or half landing) in a curved or spiral stairway is measured—
    1. 270 mm in from the outer side of the unobstructed width of the stairway if the stairway is less than 1 m wide (applicable to a non-required stairway only); and
    2. 270 mm from each side of the unobstructed width of the stairway if the stairway is 1 m wide or more.
Figure D3D14 Riser and going dimensions
image-D3D14-riser-and-going-dimensions.svg

To enable the safe movement of people using stairways.

Background to D3D14—goings and risers

The going and riser requirements in D3D14 date from a substantial reform carried out in 1987, based on international research.

No more than 18 nor less than 2 risers—D3D14(1)(a)

D3D14(1)(a) states that a stairway must have no more than 18 nor less than 2 risers in each flight. Where there are less than 2 risers in a flight, they do not comprise a stairway for the purposes of the NCC.

Eighteen risers is considered to be the maximum reasonable number that an average person can negotiate before requiring a rest.

Winders are counted as part of the maximum number of 18 risers. More than one riser is considered necessary for a person to observe and adjust to a change in level.

Going and riser dimensions—D3D14(1)(b) and (c) and (2)(b) and (c)

The purpose of D3D14(1)(b) and (c) and (2)(b) and (c) is to achieve constant going and riser dimensions deemed safe for people to walk up and down. This minimises the risk of people overstepping during descent on uneven stairs (due to short goings) and tripping on ascent (due to high risers). Table D3D14 expresses ratios between goings and risers which are considered safe for use.

D3D14(1)(c) and (2)(b) accounts for conditions such as movement of materials due to atmospheric moisture changes or minor deviations related to variations in materials which affect finished stair dimensions.

Figure D3D14a in this Guide illustrates adjacent risers within a flight with minor deviations in the materials affecting the finished stair dimensions. The nominated riser height is exceeded by riser A. As a consequence riser height B is less than the nominated riser height. The difference between riser A and riser B cannot exceed 5 mm.

Figure D3D14b in this Guide illustrates an entire flight with minor deviations in the materials affecting the finished riser dimensions. In addition to the 5 mm difference permitted between adjacent goings or risers, the maximum difference between the smallest and largest going or riser within a flight must not exceed 10 mm.

Despite the deviations shown in both Figure D3D14a and Figure D3D14b, the stairs in the flight are deemed constant.

Irrespective of any minor deviations permitted by D3D14(1)(c) and (2)(b), finished going and riser dimensions must not exceed the limitations stipulated in Table D3D14.

Openings in stair risers—D3D14(1)(d)

D3D14(1)(d) allows the use of open stair risers. However, it limits the opening to 125 mm to minimise the risk to children.

Treads—D3D14(1)(e)

Under D3D14(1)(e), treads must have a surface or nosing strip which prevents people slipping over and injuring themselves.

In each case the surface or nosing strip must have a slip-resistance classification when tested in accordance with AS 4586. Similar to D3D11(3) there are two tests (the wet pendulum test or the oil-wet inclining platform test) and two conditions (dry or wet) to be considered.

Solid treads—D3D14(1)(f)

Under D3D14(1)(f), where a stairway is of a specified height, solid treads must be used so that people cannot see through them. This minimises the risk to people affected by vertigo.

Change in direction—D3D14(1)(g)

Under D3D14(1)(g), stairways in Class 9b buildings require a change in direction of at least 30° at specified points. This limits the distance a person can trip or fall down the stairways. This sort of occurrence is more likely to take place in buildings with large numbers of people who are unfamiliar with the building or its stairways.

Winders in lieu of landings—D3D14(1)(h) and (2)(a)

Under D3D14(1)(h), winders in lieu of landings are not permitted in a required stairway. Under D3D14(2)(a) winders in lieu of landings are permitted in non-required stairways provided that not more than 3 winders in lieu of a quarter landing or not more than 6 winders in lieu of a half landing are used.

Sloping public walkways — D3D14(3)

When a stairway discharges directly to a sloping public walkway or road, it is extremely difficult to maintain a constant riser height without setting the stairway back from the walkway. D3D14(3) therefore allows a variation in the riser height in these situations.

See Figure D3D14c in this Guide.

Table D3D14

Table D3D14 addresses both public and private stairways, and provides information on acceptable maximum and minimum risers and goings. It also illustrates the method of measuring the rise and going of stairway treads and the maximum gap between treads referred to in D3D14(1)(d).

Note 2 of Table D3D14 allows the use of a stairway which is curved, or circular in plan view.

Figure D3D14a: Deviations in adjacent risers

Image
Figure D3D14a: Deviations in adjacent risers

Notes:

1. A = larger riser of two adjacent risers. 

2. B = smaller riser of two adjacent risers. 

3. This figure only shows deviations in risers, however the same principle can apply for goings

Figure D3D14b: Deviations over a flight

Image
Figure D3D14b: Deviations over a flight

Notes:

1. C = largest riser of the flight. 

2. D = smallest riser of the flight. 

3. This diagram only shows deviations in risers, however the same principle can apply for goings.


Figure D3D14c: Stairway for sloping public walkway or road

Image
Figure D3D14c: Stairway for sloping public walkway or road

In a stairway—

  1. landings having a maximum gradient of 1:50 may be used in any building to limit the number of risers in each flight and each landing must—
    1. be not less than 750 mm long, and where this involves a change in direction, the length is measured 500 mm from the inside edge of the landing; and
    2. have—
      1. a surface with a slip-resistance classification not less than that listed in Table D3D15 when tested in accordance with AS 4586; or
      2. a strip at the edge of the landing with a slip-resistance classification not less than that listed in Table D3D15 when tested in accordance with AS 4586, where the edge leads to a flight below; and
  2. in a Class 9a building—
    1. the area of any landing must be sufficient to move a stretcher, 2 m long and 600 mm wide, at a gradient not more than the gradient of the stairs, with at least one end of the stretcher on the landing while changing direction between flights; or
    2. the stair must have a change of direction of 180°, and the landing a clear width of not less than 1.6 m and a clear length of not less than 2.7 m.
Table D3D15 Slip-resistance classification
Application Dry surface conditions Wet surface conditions
Ramp steeper than 1:14 P4 or R11 P5 or R12
Ramp steeper than 1:20 but not steeper than 1:14 P3 or R10 P4 or R11
Tread or landing surface P3 or R10 P4 or R11
Nosing or landing edge strip P3 P4

To enable the safe movement of people using stairways.

Purpose of a landing in a stairway

The purpose of a landing is to limit the number of risers to provide a rest area for the people using the stairway, and to allow the stairway to change direction if needed.

Maximum grade of 1:50—D3D15(a)

The maximum grade of 1 in 50 required under D3D15(a) makes sure that the landing is as level as possible, but still allows a slight slope for drainage if necessary.

Minimum landing length—D3D15(a)(i)

The minimum length of a landing allows people using the stairway to rest, and reduces the risk of a person falling more than one flight of stairs.

Surface of a landing—D3D15(a)(ii)

Under D3D15(a)(ii), landings must have a surface or strip at the edge of the landing to prevent a person slipping over and injuring themselves. In each case the surface or edge strip must have a slip-resistance classification when tested in accordance with AS 4586. Similar to D3D11(3) there are two tests (the wet pendulum test or the oil-wet inclining platform test) and two conditions (dry or wet) to be considered.

Class 9a buildings—D3D15(b)

D3D15(b) provides two options for landings in Class 9a buildings. The aim is to aid the use of a stretcher. Figure D3D15 illustrates the method of measuring the length of landings as required by D3D14.

Figure D2.14: Method of measuring the length of landings as required by D2.14

Image
Figure D2.14:	Method of measuring the length of landings as required by D2.14
NCC Blurbs

(1) The threshold of a doorway must not incorporate a step or ramp at any point closer to the doorway than the width of the door leaf unless—

  1. in patient care areas in a Class 9a health-care building, the door sill is not more than 25 mm above the finished floor level to which the doorway opens; or
  2. in resident use areas a Class 9c building, a ramp is provided with a maximum gradient of 1:8 for a maximum height of 25 mm over the threshold; or
  3. in a building required to be accessible by Part D4, the doorway—
    1. opens to a road or open space; and
    2. is provided with a threshold ramp or step ramp in accordance with AS 1428.1; or
  4. in other cases—
    1. the doorway opens to a road or open space, external stair landing or external balcony; and
    2. the door sill is not more than 190 mm above the finished surface of the ground, balcony, or the like, to which the doorway opens.

(2) Notwithstanding the requirements of (1), where necessary due to the operational requirements of the building, a doorway serving a farm building may incorporate a step that is no more than 700 mm above the finished floor level.

NCC Title
Thresholds
NCC State
SA
NCC Variation Type
Replacement
NCC SPTC Current
Thresholds
NCC Blurbs

The threshold of a doorway must not incorporate a step or ramp at any point closer to the doorway than the width of the door leaf unless—

  1. in patient care areas in a Class 9a health-care building, the door sill is not more than 25 mm above the finished floor level to which the doorway opens; or
  2. in resident use areas in a Class 9c building, a ramp is provided with a maximum gradient of 1:8 for a maximum height of 25 mm over the threshold; or
  3. in a building required to be accessible by Part D4, the doorway—
    1. opens to a road or open space; and
    2. is provided with a threshold ramp or step ramp in accordance with AS 1428.1; or
  4. in a Class 9b building used as an entertainment venue, the door sill of a doorway opening to a road, open space, external stair landing or external balcony is not more than 50 mm above the finished floor level to which the doorway opens; or
  5. in other cases—
    1. the doorway opens to a road or open space, external stair landing or external balcony; and
    2. the door sill is not more than 190 mm above the finished surface of the ground, balcony, or the like, to which the doorway opens.
NCC Title
Thresholds
NCC State
NSW
NCC Variation Type
Replacement
NCC SPTC Current
Thresholds

The threshold of a doorway must not incorporate a step or ramp at any point closer to the doorway than the width of the door leaf unless—

  1. in patient care areas in a Class 9a health-care building, the door sill is not more than 25 mm above the finished floor level to which the doorway opens; or
  2. in resident use areas in a Class 9c building, a ramp is provided with a maximum gradient of 1:8 for a maximum height of 25 mm over the threshold; or
  3. in a building required to be accessible by Part D4, the doorway—
    1. opens to a road or open space; and
    2. is provided with a threshold ramp or step ramp in accordance with AS 1428.1; or
  4. in other cases—
    1. the doorway opens to a road or open space, external stair landing or external balcony; and
    2. the door sill is not more than 190 mm above the finished surface of the ground, balcony, or the like, to which the doorway opens.

To reduce the risk of a person tripping on an unseen step in a doorway.

Step prohibited too close to a door

It is difficult to see a step or ramp which is too close to a door. People can trip, particularly if the ramp or step is on the opposite side of a door. Figure D3D16a illustrates the area where a step is not allowed in a doorway.

Concessions—D3D16(a), (b), (c) and (d)

Concessions are granted in specified circumstances. These include:

  • D3D16(a)—in the patient care areas of a hospital; and
  • D3D16(b)—in resident use areas in Class 9c buildings; and
  • D3D16(c)—in a building required to be accessible by Part D4.
  • D3D16(d)—in other buildings, to allow for weatherproofing under an external door.

Class 9c buildings—D3D16(b)

The threshold of a doorway in a Class 9c building, which is subject to a change in level, may incorporate a ramp and cannot be provided with a step. This is a safety requirement due to the varying mobility of the residents. The ramp may have a maximum slope of 1 in 8 and a maximum height of 25 mm. Figure D3D16b illustrates an example of a ramp at a doorway threshold in a residential care building.


Figure D3D16a: Illustration of where a step is not allowed in a doorway

Image
Figure D3D16a: Illustration of where a step is not allowed in a doorway

Figure D3D16b: Illustration of ramp at doorway threshold in a residential care building

Image
Figure D3D16b:	Illustration of ramp at doorway threshold in a residential care building

(1) A continuous barrier must be provided along the side of—

  1. a roof to which general access is provided; and
  2. a stairway or ramp; and
  3. a floor, corridor, hallway, balcony, deck, verandah, mezzanine, access bridge or the like; and
  4. any delineated path of access to a building,

if the trafficable surface is 1 m or more above the surface beneath.

(2) The requirements of (1) do not apply to—

  1. the perimeter of a stage, rigging loft, loading dock or the like; or
  2. areas referred to in D3D23; or
  3. a retaining wall, unless the retaining wall forms part of, or is directly associated with a delineated path of access to a building from the road, or a delineated path of access between buildings; or
  4. a barrier provided to an openable window covered by D3D29.

(3) A barrier required by (1) must be constructed in accordance with D3D18, D3D19, D3D20 and, if a wire barrier is used, D3D21.

To minimise the risk of a person falling from a roof, stairway, raised floor level or the like.

Barriers to prevent falls

D3D17(1) sets out when a continuous barrier is required. It should be noted that a barrier is only required where an identified hazard of falling is present. D3D17(2) provides an exemption for the installation of barriers in areas that would be inappropriate due to their inherent functions. These areas include at the perimeter of a stage, rigging loft, loading dock or the like. The reference to ‘or the like’ could include such areas as the passenger loading points on railway platforms. Other exemptions apply to retaining walls, areas covered by D3D23 and barriers provided to openable windows as required by D3D29.

 

(1) The height of a barrier required by D3D17 must be not less than the following:

  1. For stairways or ramps with a gradient of 1:20 or steeper — 865 mm.
  2. For landings to a stair or ramp where the barrier is provided along the inside edge of the landing and does not exceed 500 mm in length — 865 mm.
  3. In front of fixed seating on a mezzanine or balcony within an auditorium in a Class 9b building, where the horizontal projection extends not less than 1 m outwards from the top of the barrier — 700 mm.
  4. For all other locations — 1 m.

NSW D3D18 Height of barriers2019: Table D2.16a

Delete subclause D3D18(1) and insert D3D18(1) as follows:

(1) The height of a barrier required by D3D17 must be not less than the following:

  1. For stairways or ramps with a gradient of 1:20 or steeper — 865 mm.
  2. For landings to a stair or ramp where the barrier is provided along the inside edge of the landing and does not exceed 500 mm in length — 865 mm.
  3. In front of fixed seating on a mezzanine or balcony within an auditorium in a Class 9b building—
    1. 1 m; or
    2. 700 mm where the horizontal projection extends not less than 1 m outwards from the top of the barrier; or
    3. in a Class 9b building used as an entertainment venue, the height prescribed for guardrails in NSW I4D41 or NSW I5D9.
  4. In a Class 9b building used as an entertainment venue, for stairways and ramps and the floor of any access path, balcony, landing or the like—
    1. 1 m when provided inside the building; and
    2. 1200 mm when provided externally to the building.
  5. For all other locations — 1 m.

(2) For a barrier provided under (1) —

  1. barrier heights are measured vertically from the surface beneath, except that for stairways the height must be measured above the nosing line of the stair treads; and
  2. a transition zone may be incorporated where the barrier height changes from 865 mm on a stair flight or ramp to 1 m at a landing or floor.

To minimise the risk of a person falling from a roof, stairway, raised floor level or the like.

Whether floor is a landing or a ramp—D3D18(1)(a) and (b)

The slope of 1:20 is included to distinguish between the floor of a ramp and the floor of a landing that has a slight slope for drainage purposes. The result is that if the floor has a slope of less than 1:20, it is considered as a landing and must have a barrier with a height of not less than 1 m above the floor. In all other cases, the floor is considered to be a ramp, where the barrier must have a height of not less than 865 mm above the floor.

Certain Class 9b buildings—D3D18(1)(c)

For certain Class 9b buildings, lesser heights are permitted to allow uninterrupted viewing of a performance. These lower heights are not expected to be a problem, because unaccompanied children are unlikely to be present.

Measurement of barrier height—D3D18(2)(a)

When measuring the height of the barrier, allowance should be made for floor finishes such as tiles and carpet when they are to be installed at a later time.

Transition zones—D3D18(2)(b)

A transition zone is permitted where the barrier above the stair nosings and landing meet. This overcomes the need for a step in the top of the barrier to maintain the 1 m height above the landing. See Figure D3D18b.

Figures D3D18a and D3D18b illustrate the various requirements for barriers.

Figure D3D18a: Illustration of barrier heights and spacings 

Image
Figure D3D18a: Illustration of barrier heights and spacings

Figure D3D18b: Illustration showing when barriers are required

Image
Figure D3D18b: Illustration showing when barriers are required

(1) Except where allowed by (2), openings in a required barrier must not allow a 125 mm sphere to pass through.

(2) In a fire-isolated stairway, fire-isolated ramp or other area used primarily for emergency purposes, openings in a required barrier—

  1. must not allow a 300 mm sphere to pass through; or
  2. where rails are used—
    1. a 150 mm sphere must not be able to pass through the opening between the nosing line of the stair treads and the rail or between the rail and the floor of the landing, balcony or the like; and
    2. the opening between rails must not be more than 460 mm.

(3) In Class 7 (other than carparks) and Class 8 buildings, openings in a required barrier—

  1. must not allow a 300 mm sphere to pass through; or
  2. where rails are used—
    1. a 150 mm sphere must not be able to pass through the opening between the nosing line of the stair treads and the rail or between the rail and the floor of the landing, balcony or the like; and
    2. the opening between the rails must not be more than 460 mm.

(4) The requirements of (2) do not apply to external stairways, external ramps, or fire-isolated stairways or fire-isolated ramps serving Class 9b early childhood centres.

(5) For a barrier provided under (1), the maximum 125 mm barrier opening for a stairway, such as a non fire-isolated stairway, is measured above the nosing line of the stair treads.

(6) Where a required barrier is fixed to the vertical face forming an edge of a landing, balcony, deck, stairway or the like, the opening formed between the barrier and the face must not exceed 40 mm.

(7) For the purposes of (6), the opening is measured horizontally from the edge of the trafficable surface to the nearest internal face of the barrier.

To minimise the risk of a person falling from a roof, stairway, raised floor level or the like.

For non-fire-isolated stairways and ramps, a 125 mm sphere must not be able to pass through any opening.

For fire-isolated exits and Class 7 buildings (other than carparks) and Class 8 buildings, which are assumed to have a low occupancy rate, where unaccompanied children are unlikely to be present, a concession is available for the permitted size of openings.

D3D19(2) does not apply to external stairs, ramps, fire-isolated stair or fire-isolated ramps serving Class 9b early childhood centres (see D3D19(4)).

D3D19(5) – (7) concern dimensions and methods of measurement.

 

(1) A barrier required by D3D17, located on a floor more than 4 m above the surface beneath, must not incorporate horizontal or near horizontal elements that could facilitate climbing between 150 mm and 760 mm above the floor.

(2) The requirements of (1) do not apply to—

  1. fire-isolated stairways, fire-isolated ramps and other areas used primarily for emergency purposes, other than—
    1. external stairways; and
    2. external ramps; and
  2. Class 7 (other than carparks) and Class 8 buildings.

To minimise the risk of a person falling from a roof, stairway, raised floor level or the like.

Barrier climbability describes the construction details regarding height and the opening between any horizontal or near horizontal elements in a barrier. To lessen the risk of children climbing and falling from high balconies, barrier design must not incorporate horizontal rails or other similar features.

Where a required barrier is constructed of wire, it is deemed to meet the requirements of D3D19(1) if it is constructed in accordance with the following:

  1. For horizontal wire systems—
    1. when measured with a strain indicator, it must be in accordance with the tension values in Table D3D21a; or
    2. must not exceed the maximum deflections in Table D3D21c.
  2. For non-continuous vertical wire systems, when measured with a strain indicator, must be in accordance with the tension values in Table D3D21a (see Note 4).
  3. For continuous vertical or continuous near vertical sloped wire systems—
    1. must have wires of no more than 2.5 mm diameter with a lay of 7×7 or 7×19 construction; and
    2. changes in direction at support rails must pass around a pulley block without causing permanent deformation to the wire; and
    3. must have supporting rails, constructed with a spacing of not more than 900 mm, of a material that does not allow deflection that would decrease the tension of the wire under load; and
    4. when the wire tension is measured with a strain indicator, it must be in accordance with the tension values in Table D3D21b and measured in the furthermost span from the tensioning device.
Table D3D21a Wire barrier construction – minimum required tension (N) for stainless steel horizontal wires
Wire dia. (mm) Lay Wire spacing (mm) Clear distance between posts (mm)
600 800 900 1000 1200 1500 1800 2000 2500
2.5 7x7 60 55 190 263 415 478 823 1080 1139 X
80 382 630 730 824 1025 1288 X X X
100 869 1218 1368 X X X X X X
2.5 1x19 60 35 218 310 402 585 810 1125 1325 X
80 420 630 735 840 1050 1400 1750 X X
100 1140 1565 X X X X X X X
3.0 7x7 60 15 178 270 314 506 660 965 1168 1491
80 250 413 500 741 818 1083 1370 1565 X
100 865 1278 1390 1639 X X X X X
3.0 1x19 60 25 183 261 340 520 790 1025 1180 X
80 325 555 670 785 1015 1330 1725 1980 X
100 1090 1500 1705 1910 X X X X X
4.0 7x7 60 5 73 97 122 235 440 664 813 1178
80 196 422 480 524 760 1100 1358 1530 2130
100 835 1182 1360 1528 1837 2381 2811 3098 X
4.0 1x19 60 5 5 10 15 20 147 593 890 1280
80 30 192 300 415 593 1105 1303 1435 1844
100 853 1308 1487 1610 2048 2608 3094 3418 3849
4.0 7x19 60 155 290 358 425 599 860 1080 1285 1540
80 394 654 785 915 1143 1485 1860 2105 2615
100 1038 1412 1598 1785 2165 2735 X X X
Table Notes
  1. Lay = number of strands by the number of individual wires in each strand. For example a lay of 7x19 consists of 7 strands with 19 individual wires in each strand.
  2. Where a change of direction is made in a run of wire, the tensioning device is to be placed at the end of the longest span.
  3. If a 3.2 mm wire is used the tension figures for 3.0 mm wire are applied.
  4. This table may also be used for a set of non-continuous (single) vertical wires forming a barrier using the appropriate clear distance between posts as the vertical clear distance between the rails.
  5. X = Not allowed because the required tension would exceed the safe load of the wire.
  6. Tension measured with a strain indicator.
Table D3D21b Continuous wire barrier construction – minimum required tension (N) for vertical or near-vertical stainless steel wires where the maximum clear spacing between the rails is 900mm
Wire dia. (mm) Lay Widest spacing between wires (mm) Required tension (N)
2.5 7x19 80 145
100 310
110 610
2.5 7x7 80 130
100 280
110 500
Table Notes
  1. Lay = number of strands by the number of individual wires in each strand. For example a lay of 7x19 consists of 7 strands with 19 individual wires in each strand.
  2. Vertical wires require two pulley blocks to each 180° change of direction in the wire.
  3. Near vertical wires may only require one pulley block for each change of direction.
  4. Tension measured with a strain indicator.
  5. The table only includes 7x7 and 7x19 wires due to other wires not having sufficient flexibility to make the necessary turns.
Table D3D21c Wire barrier construction – maximum permissible deflection of each wire in mm when a 2 kg mass is suspended at mid-span for stainless steel wires
Wire dia. (mm) Wire spacing (mm) Clear distance between posts (mm)
600 900 1200 1500 1800 2000
2.5 60 17 11 9 8 8 8
80 7 5 5 5 X X
3.0 60 19 13 8 7 7 7
80 8 6 6 5 5 5
4.0 60 18 12 8 8 7 7
80 8 6 4 4 4 4
Table Notes
  1. Where a change of direction is made in a run of wire the 2 kg mass must be placed at the middle of the longest span.
  2. If a 3.2 mm wire is used the deflection figures for 3.0 mm wire are applied.
  3. This table may also be used for a set of non-continuous (single) vertical wires forming a barrier using the appropriate clear distance between posts as the vertical clear distance between the rails. The deflection (offset) is measured by hooking a standard spring scale to the mid span of each wire and pulling it horizontally until a force of 19.6 N is applied.
  4. X = Not allowed because the required tension would exceed the safe load of the wire.
  5. This table has been limited to 60 mm and 80 mm spaces for 2.5 mm, 3 mm and 4 mm diameter wires because the required wire tensions at greater spacings would require the tension to be beyond the wire safe load limit, or the allowed deflection would be impractical to measure.

To minimise the risk of a person falling from a roof, stairway, raised floor level or the like.

Wire barriers

Wire barriers deflect under loading conditions, even when tightly tensioned, and therefore some doubt has been expressed as to whether they can meet the requirements not to permit a 125 mm sphere to pass through. Also, some concern has been expressed that in time the wire tends to lose its tension and could therefore allow the passage of the 125 mm sphere.

In 2003, the ABCB commissioned research to determine how to overcome these difficulties. The results of this research is contained in D3D21.

D3D21 allows the use of wire barriers without the need to demonstrate that the barrier would not permit the passage of a 125 mm sphere provided the wire diameter, lay and type, post spaces, etc. are satisfied. If it is proposed to differ any of the specified criteria, then it would be necessary to demonstrate to the approval authority that the Performance Requirement had been satisfied by the use of a Performance Solution.

To assist in the application of D3D21, the following terms have been defined:

  • Continuous – where the wire spans three or more supports.
  • Non-continuous – where the wire only spans between two supports.
  • Pulley block – a device consisting of a wheel in which a wire runs around to change its direction.
  • Permissible deflection – is the allowable bending of the wire.
  • Support rails – are horizontal components of the barrier system that span across the top and bottom to provide structural support.

D3D21 provides for three alternative systems, namely—

  • horizontal wire systems; and
  • non-continuous vertical wire systems; and
  • continuous vertical or near vertical wire systems.

For the purpose of D3D21, a wire barrier consists of a series of tensioned wire ropes connected to either vertical or horizontal supports serving as a guard to minimise the risk of a person falling from a roof, stairway, raised floor level or the like.

A wire barrier excludes wire mesh fences and the like.

Table D3D21a and Table D3D21b contain tension requirements for wires in vertical and horizontal wire barrier systems with varying post spacings, wire spacings and wire types, whereas Table D3D21c only contains deflection requirements for use in horizontal and vertical barrier systems. With the latter, deflection is referred to as an “offset” and is limited to systems that use non-continuous wires. The figures contained in the three tables were derived from testing the spacing combinations in order to prevent the passage of a 125 mm diameter solid cone penetrating between the wires at a predetermined force. The tables also contain additional guidance to ensure that the wire tension will be maintained during the life of the barrier.

For safety, sharp ends of wires at terminations and swages need to be removed and no wire end should protrude more than half the diameter of the wire from the swage or termination fitting.

(1) Except for handrails referred to in D3D23, and subject to (2), handrails must—

  1. be located along at least one side of the ramp or flight; and
  2. be located along each side if the total width of the stairway or ramp is 2 m or more; and
  3. in a Class 9b building used as a primary school or a building that contains an early childhood centre
    1. have one handrail fixed at a height of not less than 865 mm; and
    2. in addition to (i), have a handrail—
      1. fixed at a height between 665 mm and 750 mm in a primary school; and
      2. with a cross-sectional dimension not less than 16 mm and not greater than 45 mm as measured in any direction across its centre, fixed at a height between 450 mm and 700 mm in a Class 9b early childhood centre; and
  4. in any other case, be fixed at a height of not less than 865 mm; and
  5. be continuous between stair flight landings and have no obstruction on or above them that will tend to break a hand-hold; and
  6. in a required exit serving an area required to be accessible, be designed and constructed to comply with clause 12 of AS 1428.1, except that clause 12(d) does not apply to a handrail required by (1)(c)(ii).

(2) The height required by (1)(c) and (d) is measured above the nosings of stair treads and the floor surface of the ramp, landing or the like.

(3) Handrails—

  1. in a Class 9a health-care building must be provided along at least one side of every passageway or corridor used by patients, and must be—
    1. fixed not less than 50 mm clear of the wall; and
    2. where practicable, continuous for their full length; and
  2. in a Class 9c aged care building must be provided along both sides of every passageway or corridor used by residents, and must be—
    1. fixed not less than 50 mm clear of the wall; and
    2. where practicable, continuous for their full length.

(4) Handrails required to assist people with a disability must be provided in accordance with D4D4.

(5) Handrails to a stairway or ramp within a sole-occupancy unit in a Class 2 or 3 building or Class 4 part of a building must—

  1. be located along at least one side of the flight or ramp; and
  2. be located along the full length of the flight or ramp, except in the case where a handrail is associated with a barrier, the handrail may terminate where the barrier terminates; and
  3. have the top surface of the handrail not less than 865 mm vertically above the nosings of the stair treads or the floor surface of the ramp; and
  4. have no obstruction on or above them that will tend to break a handhold, except for newel posts, ball type stanchions, or the like.

(6) The requirements of (5) do not apply to—

  1. handrails referred to in D3D23; or
  2. a stairway or ramp providing a change in elevation of less than 1 m; or
  3. a landing; or
  4. a winder where a newel post is installed to provide a handhold.

To provide handrails to a stairway or ramp, in corridors in Class 9a and 9c buildings and in corridors required to be accessible by people with a disability.

D3D22 addresses requirements regarding the location, spacing and extent of handrails. Where both barrier and handrail matters require consideration, D3D22 must be read in conjunction with those of D3D17 to D3D21.

Handrail location and separation—D3D22(1)(a) and (b)

D3D22(1)(a) and (b) set out the location and separation requirements for handrails. For intermediate handrails, see the requirements in D3D10.

Handrail heights: Primary schools—D3D22(1)(c)

D3D22(1)(c) requires a second handrail located at a practical height between 665 mm and 750 mm in a primary school, to aid children who are generally shorter than adults.

Handrail heights: 865 mm height requirement—D3D22(1)(d)

Under D3D22(1)(d), the height of handrails is a minimum of 865 mm, so that they are comfortable to use for most people and provide adequate stability support and assistance. Measurement for determining compliance with D3D22(1)(c) and (d) must be done in accordance with D3D22(2).

Continuous handrails

D3D22(1)(e) requires a continuous handrail between stair flight landings. It does not apply around a landing between flights, as such a requirement would often be impractical.

Obstructions placed on handrails to prevent people deliberately sliding down them must be considered on a case by case basis to determine whether a hand hold is broken. Ball type stanchions at the top of supports to handrails may be permissible. See Figure D3D22a.

Handrails in exits

D3D22(1)(f) requires handrails in a required exit serving an area required to be accessible, to comply with clause 12 of AS 1428.1, to facilitate use by people with a disability.

Handrails in Class 9a corridors—D3D22(3)(a)

The D3D22(3)(a) provisions requiring handrails on at least one side of corridors in a Class 9a building are intended to assist patients.

Handrails in Class 9c corridors—D3D22(3)(b)

The D3D22(3)(b) provisions requiring handrails in corridors in a Class 9c building are intended to assist residents. The handrails are required on both sides of the corridor to assist residents accessing the common areas such as dining rooms and recreation rooms in their day to day living.

People with a disability—D3D22(4)

D3D22(4) is provided to remind users of the NCC that there are specific requirements for handrails to provide access for people with a disability under Part D4.

Handrails for sole-occupancy units in Class 2 or 3 buildings or a Class 4 part—D3D22(5)

D3D22(5) requires handrails on at least one side of a stairway or ramp. The top rail of a barrier could be a handrail. The handrail must extend the full length of the flight or ramp except where the handrail is associated with the barrier, in which case the handrail can terminate where the barrier is allowed to terminate. This would allow for the barriers of geometric stairways such as elliptical, spiral, circular or curved stairways to finish a few treads from the bottom of the stairway. A handrail is not required for winders if a newel post is installed to provide a handhold.

Examples

A handrail is not required for a flight of only 5 risers as the change in elevation would be less than 1 m.

Figure D3D22b illustrates the use of handrails complying with D3D22.

Figure D3D22a: Illustration of ball-type stanchions

Image
Figure D3D22a: Illustration of ball-type stanchions

Figure D3D22b: Illustration of handrails complying with D3D22 which form part of a barrier

Image
Figure D3D22b: Illustration of handrails complying with D3D22 which form part of a barrier
NCC Blurbs

A fixed platform, walkway, stairway, ladder and any going and riser, landing, handrail or barrier attached thereto may comply with AS 1657 in lieu of D3D14, D3D15, D3D17, D3D18, D3D19, D3D20, D3D21 and D3D22 if it only serves—

  1. machinery rooms, boiler houses, lift-machine rooms, plant-rooms, and the like; or
  2. non-habitable rooms, such as attics, storerooms and the like that are not used on a frequent or daily basis in the internal parts of a sole-occupancy unit in a Class 2 building or Class 4 part of a building; or
  3. areas within a farm building.
NCC Title
Fixed platforms, walkways, stairways and ladders
NCC State
SA
NCC Variation Type
Replacement
NCC SPTC Current
Fixed platforms, walkways, stairways and ladders

A fixed platform, walkway, stairway, ladder and any going and riser, landing, handrail or barrier attached thereto may comply with AS 1657 in lieu of D3D14, D3D15, D3D17, D3D18, D3D19, D3D20, D3D21 and D3D22 if it only serves—

  1. machinery rooms, boiler houses, lift-machine rooms, plant-rooms, and the like; or
  2. non-habitable rooms, such as attics, storerooms and the like that are not used on a frequent or daily basis in the internal parts of a sole-occupancy unit in a Class 2 building or Class 4 part of a building.

To provide appropriate access and egress from infrequently used areas.

Reasons for different requirements

Some areas are only accessed by maintenance or specialist workers. In such areas, access and egress requirements for members of the public no longer apply, and the requirements are permitted to fall outside the various measurements applying elsewhere.

In Class 2 buildings or Class 4 parts, this includes non-habitable rooms such as attics, storerooms and the like that are not used on a frequent or daily basis. In such cases, the designer has the choice of designing the stair, landing, barrier and handrail to comply with the appropriate provisions of the NCC or with AS 1657.

(1) A doorway in a resident use area of a Class 9c building must not be fitted with—

  1. a sliding fire door; or
  2. a sliding smoke door; or
  3. a revolving door; or
  4. a roller shutter door; or
  5. a tilt-up door.

(2) A doorway serving as a required exit or forming part of a required exit, or a doorway in a patient care area of a Class 9a health-care building

  1. must not be fitted with a revolving door; and
  2. must not be fitted with a roller shutter or tilt-up door unless—
    1. it serves a Class 6, 7 or 8 building or part with a floor area not more than 200 m2; and
    2. the doorway is the only required exit from the building or part; and
    3. it is held in the open position while the building or part is lawfully occupied; and
  3. must not be fitted with a sliding door unless—
    1. it leads directly to a road or open space; and
    2. the door is able to be opened manually under a force of not more than 110 N; and
  4. if fitted with a door which is power-operated—
    1. it must be able to be opened manually under a force of not more than 110 N if there is a malfunction or failure of the power source; and
    2. if it leads directly to a road or open space it must open automatically if there is a power failure to the door or on the activation of a fire or smoke alarm anywhere in the fire compartment served by the door.

NSW D3D24 Doorways and doors2019: D2.19

Delete subclause D3D24(2) and insert D3D24(2) as follows:

(2) A doorway serving as a required exit or forming part of a required exit, or a doorway in a patient care area of a Class 9a health-care building

  1. must not be fitted with a revolving door; and
  2. must not be fitted with a roller shutter or tilt-up door unless—
    1. it serves a Class 6, 7 or 8 building or part with a floor area not more than 200 m2; and
    2. the doorway is the only required exit from the building or part; and
    3. it is held in the open position while the building or part is lawfully occupied; and
  3. must not be fitted with a sliding door unless—
    1. it leads directly to a road or open space; and
    2. the door is able to be opened manually under a force of not more than 110 N; and
  4. if fitted with a door which is power-operated—
    1. it must be able to be opened manually under a force of not more than 110 N if there is a malfunction or failure of the power source; and
    2. if it leads directly to a road or open space it must open automatically if there is a power failure to the door or on the activation of a fire or smoke alarm anywhere in the fire compartment served by the door; and
  5. in a Class 9b building used as an entertainment venue
    1. must not be fitted with a collapsible gate, accordion door, turnstile or rigid barrier; and
    2. if fitted with a door, must be—
      1. a swing door which opens in the direction of egress; and
      2. doors hung in two folds where the unobstructed width of the doorway is more than 1 m; and
    3. a doorway or opening within sight of the audience but not intended for egress must have a notice displayed clearly indicating its purpose and such a notice must not be internally illuminated; and
    4. notwithstanding (2)(c), a sliding door may be fitted where—
      1. it leads directly to a road or open space and forms a main entrance; and
      2. it is capable of swinging in the direction of egress when pressure is applied to the inside face of the door; and
      3. the door is provided with signage that clearly indicates to persons seeking egress, the potential for swinging the door open in an emergency.

(3) A power-operated door in a path of travel to a required exit, except for a door in a patient care area of a Class 9a health-care building as provided in (2), must be able to be opened manually under a force of not more than 110 N if there is a malfunction or failure of the power source.

To minimise the risk that a door may obstruct a person evacuating.

D3D24 and D3D25 have the same intent

D3D24 should be read in conjunction with D3D25 because its intent is the same.

Clarification of when a doorway (or door) is “serving as (or in) a required exit”, “forming part of a required exit” or “in the path of travel to a required exit”

D3D24 refers to a “doorway serving as a required exit or forming part of a required exit”. D3D25 refers to a “door in a required exit or forming part of a required exit”. D3D26 refers to a “door in a required exit, forming part of a required exit or in the path of travel to a required exit”.

The three different terms have application to doorways and doors in three different situations described below. To understand the differences between these terms, it is necessary to understand what an exit is, as described in the definition of “exit”. Also, D2D19 Measurement of distances, provides guidance by describing when the “nearest part of an exit” includes a doorway and when it does not.

The definition of “exit” indicates that stairways (internal or external), ramps and fire isolated passageways are all exits if they provide egress to a road or open space, as are doorways opening to a road or open space and horizontal exits. Stairways and ramps that serve as exits may either be fire-isolated or non-fire-isolated, as determined by D2D4.

D2D19. describes the “nearest part of an exit” for the purpose of measuring distances (prescribed by D2D20), indicating when a doorway is considered to be part of the exit.

The nearest part of the exit is the nearest part of the doorway providing access to a fire-isolated stairway, fire-isolated passageway or fire-isolated ramp, horizontal exit, and a doorway opening to a road or open space. For a non-fire-isolated stairway however, it is the nearest riser, and for a non-fire-isolated ramp, it is the nearest part of the ramped floor. The measurement to the nearest part of a doorway for a fire-isolated exit, horizontal exit and a doorway opening to a road or open space, indicates that the doorway forms part of the exit.

A “doorway serving as a required exit” or a “door in a required exit” means one that is acting as the exit itself, such as the final doorway or door—

  • opening to a road or open space; or
  • in a horizontal exit.

In this case, the nearest part of the doorway itself is the nearest part of an exit. The doorway or door opening to a road or open space may be a doorway or door from a space or room, or from a corridor.

A “doorway forming part of a required exit” or a “door forming part of a required exit” means a doorway or door that provides access to or is within—

  • a fire-isolated stairway or ramp; or
  • a fire-isolated passageway.

In this case, the nearest part of the exit is the doorway providing access to the fire-isolated stairway, ramp or passageway. Therefore, any doorway or door that leads into or out of a fire-isolated stairway, ramp or passageway is a doorway or door forming part of a required exit.

A “doorway or door in the path of travel to an exit” is a doorway or door that is not serving as, providing access into, or in, a required exit and does not form part of a required exit. It includes a doorway or door—

  • opening from any space in a storey such as an office, conference room, storeroom, sanitary compartment, or the like, into a public corridor (that is not fire-isolated) or open plan public space or the like within the building, or a non-fire- isolated stairway or ramp serving as a required exit; or
  • opening from one public corridor into another public corridor or public space within the building.

A doorway or door in a path of travel to an exit is any door, excluding cupboards and service openings, that a building occupant must pass through to reach the exit from the storey.

Class 9c buildings—D3D24(1)

D3D24(1) applies to all doorways in resident use areas of Class 9c buildings, including doorways in paths of travel to an exit, doorways serving as required exits and doorways forming part of required exits.

Doorways within resident use areas of an aged care building must not be provided with revolving doors, roller shutter doors, tilt up doors or sliding fire or smoke doors. These types of door can impede the movement of residents and also hinder egress from the building.

Required exits and patient care areas

D3D24(2) applies only to doorways serving as a required exit, or forming part of one, and to doorways in a patient care area of a Class 9a building.

D3D24(2) does not apply to any other doorways (e.g. a doorway within a path of travel to an exit).

Revolving, sliding or tilt-up doors and roller shutters—D3D24(2)(a), (b) and (c)

Under D3D24(2)(a)(b) and (c), revolving, sliding or tilt-up doors and roller shutters are either prohibited or limited because of their potential to obstruct people evacuating. They can also pose problems if they fail in an emergency.

If people are impeded at a doorway, this can lead to congestion. In an extreme case, it can lead to the crushing of people as they wait for a door to open.

Concession for small Class 6–8 buildings—D3D24(2)(b)(i)

The reason for the concession (subject to specified criteria) for roller shutters or tilt-up doors in small Class 6, Class 7 and Class 8 buildings is that the number of people in the area will be low. Note that this concession does not apply to revolving or sliding doors.

Power-operated doors—D3D24(2)(d) and D3D24(3)

D3D24(2)(d) sets out the requirements for power-operated doors in required exits and patient care areas.

D3D24(3) applies to power-operated doors in a path of travel to a required exit. It applies the same provisions for power- operated doors in exits or forming part of an exit contained in D3D24(2)(d)(i) by specifying the maximum force required to open the door if there is a malfunction or power failure. The reason for this is that a door in a path of travel may also inhibit safe egress if it cannot be readily opened.

Sliding door opening force

The reference in D3D24(2)(c)(ii) and (d)(i) to a force of 110 newtons is to a relatively small force which most people, including the elderly and the young, could reasonably be expected to use to open a door.

(1) A swinging door in a required exit or forming part of a required exit

  1. must not encroach—
    1. at any part of its swing by more than 500 mm on the required width (including any landings) of a required stairway, ramp or passageway if it is likely to impede the path of travel of the people already using the exit; and
    2. when fully open, by more than 100 mm on the required width of the required exit; and
  2. must swing in the direction of egress unless—
    1. it serves a building or part with a floor area not more than 200 m2, it is the only required exit from the building or part and it is fitted with a device for holding it in the open position; or
    2. it serves a sanitary compartment or airlock (in which case it may swing in either direction); and
  3. must not otherwise impede the path or direction of egress.

SA D3D25 Swinging doors2019: D2.20

Delete subclause D3D25(1) and insert D3D25(1) as follows:

(1) A swinging door in a required exit or forming part of a required exit

  1. must not encroach—
    1. at any part of its swing by more than 500 mm on the required width (including any landings) of a required stairway, ramp or passageway if it is likely to impede the path of travel of the people already using the exit; and
    2. when fully open, by more than 100 mm on the required width of the required exit; and
  2. must swing in the direction of egress unless—
    1. it serves a building or part with a floor area not more than 200 m2, it is the only required exit from the building or part and it is fitted with a device for holding it in the open position; or
    2. it serves a sanitary compartment or airlock (in which case it may swing in either direction); or
    3. it serves a farm building; and
  3. must not otherwise impede the path or direction of egress.

(2) The measurement of encroachment referred to in (1)(a) in each case is to include door handles or other furniture or attachments to the door.

To minimise the risk that a door may obstruct a person evacuating.

D3D25 and D3D24 have the same intent

D3D25. should be read in conjunction with D3D24 because its intent is the same.

Required exits

D3D25 applies only to swinging doors in doorways serving as a required exit or forming part of a required exit (e.g. a doorway leading to, or within a fire-isolated exit). It does not apply to other doorways (e.g. a doorway within a path of travel to an exit).

Egress and the swing of a door—D3D25(1)(a)

Under D3D25(1)(a), egress from a required exit must not be impeded by the swing of a door.

The measurement of the clear width for the safe passage of people evacuating must include any door furniture, such as a door handle.

Doors into a fire-isolated exit are permitted to encroach more than 500 mm as long as they do not impede the path of travel of people already in the exit.

Figure D3D25 illustrates a method of compliance with D3D25(1)(a).

Door must swing in the direction of egress—D3D25(1)(b)

Under D3D25(1)(b), doors are required to swing in the direction of egress to aid evacuation. If a door swings against the direction of egress, the first person to it may not be able to open it because of the pressure of the other people behind them. This could delay evacuation.

Concession for small buildings or parts of buildings

D3D25(1)(b) provides a concession (under specified criteria) for small buildings or parts of buildings. The reason for allowing a door to swing against the direction of travel in such buildings is because the number of people likely to use the door will probably be low. This in turn minimises the risk caused by delays induced by opening a door towards the person attempting to gain egress.

D3D25(1)(b)(i) requires these doors that swing against the direction of egress to be fitted with a device for holding the door in the open position. D3D25(1)(b)(i) does not require the door to be fixed in the open position at all times that the building is legally occupied. Although this may be desirable, because of climatic conditions, the weather conditions on a particular day, or for security reasons it may not be possible or desirable for the occupants.

Hindrance—D3D25(1)(c)

Under D3D25(1)(c), swinging doors must not hamper occupants evacuating.

Figure D3D25: Illustration of door to a fire-isolated stairway complying with D3D25(1)(a)

Image
Figure D3D25: Illustration of door to a fire-isolated stairway complying with D3D25(1)(a)

(1) A door in a required exit, forming part of a required exit or in the path of travel to a required exit must be readily openable without a key from the side that faces a person seeking egress, by—

  1. a single hand downward action on a single device which is located between 900 mm and 1.1 m from the floor and if serving an area required to be accessible by Part D4
    1. be such that the hand of a person who cannot grip will not slip from the handle during the operation of the latch; and
    2. have a clearance between the handle and the back plate or door face at the centre grip section of the handle of not less than 35 mm and not more than 45 mm; or
  2. a single hand pushing action on a single device which is located between 900 mm and 1.2 m from the floor.

(2) Where the latch operation device referred to in (1)(b) is not located on the door leaf itself—

  1. manual controls to power-operated doors must be at least 25 mm wide, proud of the surrounding surface and located—
    1. not less than 500 mm from an internal corner; and
    2. for a hinged door, between 1 m and 2 m from the door leaf in any position; and
    3. for a sliding door, within 2 m of the doorway and clear of a surface mounted door in the open position; and
  2. braille and tactile signage complying with S15C3 and S15C6 must identify the latch operation device.

(3) The requirements of (1) and (2) do not apply to a door that—

  1. serves a vault, strong-room, sanitary compartment, or the like; or
  2. serves only, or is within—
    1. a sole-occupancy unit in a Class 2 building or a Class 4 part of a building; or
    2. a sole-occupancy unit in a Class 3 building (other than an entry door to a sole-occupancy unit of a boarding house, guest house, hostel, lodging house or backpacker accommodation); or
    3. a sole-occupancy unit with a floor area not more than 200 m2 in a Class 5, 6, 7 or 8 building; or
    4. a space which is otherwise inaccessible to persons at all times when the door is locked; or
  3. complies with (4) and serves—
    1. Australian Government Security Zones 4 or 5; or
    2. the secure parts of a bank, detention centre, mental health facility, early childhood centre or the like; or
  4. is fitted with a fail-safe device which automatically unlocks the door upon the activation of any sprinkler system (other than a FPAA101D system) complying with Specification 17 or smoke, or any other detector system deemed suitable in accordance with AS 1670.1 installed throughout the building, and is readily openable when unlocked; or
  5. is in a Class 9a or 9c building and—
    1. is one leaf of a two-leaf door complying with D2D9(a) or D2D9(d) provided that it is not held closed by a locking mechanism and is readily openable; and
    2. the door is not required to be a fire door or smoke door.

(4) A door referred to in (3)(c) must be able to be immediately unlocked—

  1. by operating a fail-safe control switch, not contained within a protective enclosure, to actuate a device to unlock the door; or
  2. by hand by a person or persons, specifically nominated by the owner, properly instructed as to the duties and responsibilities involved and available at all times when the building is lawfully occupied so that persons in the building or part may immediately escape if there is a fire.

(5) The requirements of (1) and (2) do not apply in a Class 9b building (other than a school, an early childhood centre or a building used for religious purposes) to a door in a required exit, forming part of a required exit or in the path of travel to a required exit serving a storey or room accommodating more than 100 persons, determined in accordance with D2D18, in which case it must be readily openable—

  1. without a key from the side that faces a person seeking egress; and
  2. by a single hand pushing action on a single device such as a panic bar located between 900 mm and 1.2 m from the floor; and
  3. where a two-leaf door is fitted, the provisions of (a) and (b) need only apply to one door leaf if the appropriate requirements of D2D9 are satisfied by the opening of that one leaf.

NSW D3D26 Operation of latch2019: D2.21

Delete subclause D3D26(5) and insert D3D26(5) as follows:

(5) The requirements of (1) and (2) do not apply in a Class 9b building (other than a school, an early childhood centre or a building used for religious purposes) to a door in a required exit, forming part of a required exit or in the path of travel to a required exit serving a storey or room accommodating more than 100 persons, determined in accordance with D2D18, in which case it must be readily openable—

  1. without a key from the side that faces a person seeking egress; and
  2. by a single hand pushing action on a single device such as a panic bar located between 900 mm and 1.2 m from the floor; and
  3. where a two-leaf door is fitted, the provisions of (a) and (b) need only apply to one door leaf if the appropriate requirements of D2D9 are satisfied by the opening of that one leaf; and
  4. where the door is a door in a path of travel providing re-entry to the building from a balcony, terrace or the like, it may be fitted with key-operated fastenings only, the tongues of which must be locked in the retracted position whenever the building is occupied by the public, so the door can yield to pressure.

NSW D3D26 Operation of latch2019: D2.21

Insert NSW subclause D3D26(6) in clause D3D26 as follows:

(6) The requirements of (1), (2) and (5) do not apply to a door serving a Class 9b building used as an entertainment venue where the following provisions apply to a door or gate used by the public—

  1. on a door, the single device operating the latch or bolts must be a panic bar if those doors are to be secured; or
  2. an exit door or gate used by the public as the main entrance may be fitted with key-operated fastenings only, the tongues of which must be locked in the retracted position whenever the building is occupied by the public so the door or gate can yield to pressure from within; or
  3. a door from a balcony, terrace or the like, being a door in a path of travel providing re-entry to the building, may comply with the locking provision of (b) above.

VIC D3D26 Operation of latch2019: D2.21

Insert VIC subclause D3D26(6) in clause D3D26 as follows:

(6) For the purposes of (1), an exit door from a children’s service which does not open to an outdoor space enclosed in accordance with G1D4, must have the device located between 1.5 m and 1.65 m above the floor and the door must be self-closing.

To minimise the risk that evacuation will be delayed by the operation of a door latch.

Application

D3D26 applies to all doors:

  • in a required exit (e.g. an external doorway leading from the building);
  • forming part of a required exit (e.g. a door leading to or within a fire-isolated exit); and
  • in a path of travel to a required exit.

“Single hand downward action”

If the opening action of a door latch cannot be a pushing action, it must be a single downward action, capable of being activated with a single hand.

D3D26 prohibits the use of devices such as deadlocks and knobs (where the knobs must be operated in a twisting or similar motion).

This provision takes account of the need for an emergency opening mechanism to be operable by people with a hand or arm related disability, burns to their hands, or with perspiring or wet hands.

The height of the opening device from the floor specified in D3D26 is consistent with that contained in AS 1428.1 “Design for Access and Mobility”. This is a comfortable height for most people to use.

Ease of egress versus security

The building regulatory system principally exists to protect the safety, health and amenity of people in buildings. The safety of property, while important, is generally considered to be a secondary matter. D3D26 is designed to maximise the safety of people and prevent them being trapped within a building during a fire.

The risks to people using the building are too great to allow for the use of property security devices, such as deadlocks. Even “after hours” locks, which require human intervention (such as unlocking first thing in the morning and locking last thing at night) to allow egress during times when the public are accessing the building, are not considered to be adequately safe.

Accessible buildings

In accessible buildings, D3D26(1)(a) requires doors serving areas required to be accessible to have devices that prevent a hand slipping from the handle during the operation of the latch and to have a clearance of between 35 mm and 45 mm from the handle and the back plate or door face. These provisions are designed to allow use of the device by people with a disability.

D3D26 exceptions

There are several exceptions to D3D26(1). These include:

  • D3D26(3)(a)—strongrooms and vaults, both for security purposes, and the fact that the general public would ordinarily be very unlikely to access such places;
  • D3D26(3)(b)(i)—sole-occupancy units within flats, because the people in the units will generally be in possession of keys to unlock the door;
  • D3D26(3)(b)(ii)—sole-occupancy units within motels or hotels, because the people in the units will generally be in possession of keys to unlock the door. However this sub-clause does not include the entrance door to sole-occupancy units in boarding-houses, guest houses, hostels, lodging-house or backpackers accommodation as the occupant may not always have possession of keys to unlock the door;
  • D3D26(3)(b)(iii)—small sole-occupancy units in Class 5–8 buildings, where it would be difficult to overlook the presence of anyone at closing time; and
  • D3D26(3)(b)(iv)—restricted access spaces and rooms otherwise inaccessible to people at all times, such as cleaners’ rooms and the like.

Special security arrangements—D3D26(3)(c)

D3D26(3)(c) provides for special arrangements to be made where particular security issues arise including Australian Government Security Zones 4 and 5. If this option is taken, the appropriate authority will need to be satisfied that, in the event of an emergency, access to exits will be enabled immediately with effectively no time delay.

Where the option for human control is exercised under D3D26(4)(b), the person controlling the unlocking system MUST be available at ALL times while the building is lawfully occupied. It is not acceptable for the system to be left uncontrolled. Nor is it acceptable for that person to be absent from the control post while carrying out any other work duties. A beeper or some other type of personally carried device warning of an emergency is not adequate to effect immediate opening of the locked doors. If the controlling person is absent for any reason, there must be a process enabling their relief by an equally trained person.

Fail-safe devices—D3D26(3)(d)

D3D26(3)(d) provides an exemption for buildings fitted with automatic “fail-safe devices”, where the devices are activated by another active system.

In this case, the appropriate authority must be satisfied that:

  • the device is genuinely “fail-safe” (while not specifically referenced D3D26(3)(d), this would include during power failures); and
  • in the event of an emergency, access to exits will be enabled immediately, with effectively no time delay.

Examples

After hours shop security may be of considerable importance, and a “fail-safe” option may be preferable to the alternative.

A special accommodation house or an institution may have residents who may be inclined to “wander”, and a “fail-safe” option may be preferable to the alternative.

D3D26 and Class 9b buildings—D3D26(5)

Egress from Class 9b buildings is a complex issue. They are often accessed by the general public, and include buildings which have people unfamiliar with their surroundings. This environment is not conducive to orderly or easy evacuation especially in places such as cinemas, theatres, sporting complexes and nightclubs.

D3D26(5) makes special provision for those which accommodate more than 100 people. D3D26(5) differs from the usual D3D26 provisions in that:

  • it prohibits the use of a door handle type opening device (other than a bar) or other device (including levers or knobs) requiring more than a pushing action; and
  • it applies to only one door leaf of a two-leaf door set. However, the other door must also swing open if it is needed to satisfy the required width of egress.

The provisions of D3D26(5) do not apply to schools, early childhood centres, or buildings such as churches, mosques and temples used for religious purposes. Such buildings must comply with D3D26(1).

Schools and early childhood centres are excepted because:

  • the occupants are under almost constant adult supervision;
  • most schools have a communication system with which occupants are familiar;
  • most occupants are adequately controlled enabling easier evacuation; and
  • they are used during daylight hours, and door handles and their function are more easily identified and familiar to occupants.

Testing of fire door furniture

Required fire doors must be tested as a complete unit, including the frame and furniture. The test on a fire door installed in an exit, or forming part of an exit, includes the opening devices to be used to comply with D3D26.

(1) Doors of a fire-isolated exit must not be locked from the inside as follows:

  1. In a Class 9a health-care building.
  2. In a Class 9b early childhood centre.
  3. In a Class 9c building.
  4. In a fire-isolated exit serving any storey above an effective height of 25 m, throughout the exit.

(2) The requirements of (1)(a), (c) and (d) do not apply to a door fitted with a fail-safe device that automatically unlocks the door upon the activation of a fire alarm and—

  1. on at least every fourth storey, the doors are not able to be locked and a sign is fixed on such doors stating that re-entry is available; or
  2. an intercommunication system, or an audible or visual alarm system, operated from within the enclosure is provided near the doors and a sign is fixed adjacent to such doors explaining its purpose and method of operation.

(3) The requirements of (1)(b) do not apply to a door fitted with a fail-safe device that automatically unlocks the door serving the Class 9b early childhood centre upon the activation of a fire alarm.

To minimise the risk that a person becomes trapped in a fire-isolated exit.

Facilitate entry to another exit route

It is not unknown for a fire-isolated exit to become unusable during an emergency. In high-rise buildings, hospitals and Class 9c buildings people must be able to leave the exit and proceed to an alternative exit to evacuate. It is unlikely that the second exit will also be unusable.

One option is for a person in a fire-isolated stairway to enter a storey and gain access to the alternative exit through that storey.

D3D27(1)(d) applies to the whole fire-isolated exit serving a storey above an effective height of 25 m. This means that a fire-isolated exit serving a storey below an effective height in a building with an effective height 25 m or greater, is treated the same as one in a building with an effective height of less than 25 m, provided it does not also serve a storey that is located above an effective height of 25 m.

It should be noted that if a fire-isolated passageway serves two stairways, one of which serves a storey above an effective height of 25 m, then D3D27(1)(d) will apply, i.e. the doors cannot be locked from the inside.

The requirements of D3D27(1)(b) do not apply to a door fitted with a fail-safe device that automatically unlocks the door serving the Class 9b early childhood centre upon the activation of a fire alarm.


Examples

Consider a building consisting of a 5 storey podium and a main tower with an effective height greater than 25 m. Any fire-isolated stairway and associated fire-isolated passageway serving the tower must not have doors locked from within the exit. However, because the storeys in the podium are below an effective height greater than 25 m, any fire-isolated stairway and associated fire-isolated passageway that only serves those storeys may have a door locked from within the exit.

See Figure D3D27.

Mistaken entry

Under normal conditions of use, it is also possible that a person may mistakenly enter a fire-isolated exit. That person should not be required to travel all the way down the stairway to be able to leave it, especially in a high-rise or Class 9c building.

Every fourth storey re-entry

The ability to enter at each floor of a building could be unnecessary and lead to a breach of a building’s security. Accordingly, entry at every fourth floor (under D3D27(2)(a)) will achieve the intent of this provision, without significantly interfering with the building’s security. Where this option is taken, all doors must be openable by a fail-safe device activated by a fire alarm.

Intercommunication systems

An alternative method of minimising the risk of a person being trapped in a fire-isolated stairway is to provide an intercommunication system under D3D27(2)(b). Where this option is taken, all doors must be openable by a fail-safe device activated by a fire alarm.

Figure D3D27: Illustration of exits serving storeys above and below an effective height of 25 m

Image
Figure D3D27: Illustration of exits serving storeys above and below an effective height of 25 m

(1) A sign, to alert persons that the operation of certain doors must not be impaired, must be installed where it can readily be seen on, or adjacent to—

  1. a required
    1. fire door providing direct access to a fire-isolated exit, except a door providing direct egress from a sole-occupancy unit in a Class 2 or 3 building or Class 4 part of a building; and
    2. smoke door; and
  2. any door which is a—
    1. fire door forming part of a horizontal exit; and
    2. smoke door that swings in both directions; and
    3. door leading from a fire isolated exit to a road or open space.

(2) A sign required by (1)(a) must be fixed on the side of the door that faces a person seeking egress and, if the door is fitted with a device for holding it in the open position, either a sign must be fixed on the wall adjacent to the doorway, or signs must be fixed to both sides of the door.

(3) A sign required by (1)(b) must be fixed on each side of the door.

(4) A sign referred to in (1) must be in capital letters not less than 20 mm high in a colour contrasting with the background and state the following:

  1. For an automatic door held open by an automatic hold-open device—
    FIRE SAFETY DOOR — DO NOT OBSTRUCT
  2. For a self-closing door—
    DO NOT OBSTRUCT
    DO NOT KEEP OPEN
    FIRE SAFETY DOOR
  3. For a door discharging from a fire-isolated exit
    FIRE SAFETY DOOR — DO NOT OBSTRUCT

To require the use of signs warning against impairing certain doors.

Blocked doors

The doors referred to in D3D28(1) are all required for evacuation in an emergency. Their obstruction could result in the death of people attempting to evacuate.

Open doors

Fire and smoke doors are designed to minimise the risk to people inside a fire compartment and a fire-isolated exit. A door kept open in a storey experiencing a fire could result in the emergency exit becoming unusable, or could aid the spread of fire and/or smoke to other parts of the building. If all exits are affected, people will have no way of evacuating the building.

(1) A window opening must be provided with protection, if the floor below the window is 2 m or more above the surface beneath in—

  1. a bedroom in a Class 2 or 3 building or Class 4 part of a building; or
  2. a Class 9b early childhood centre.

(2) Where the lowest level of the window opening is less than 1.7 m above the floor, a window opening covered by (1) must comply with the following:

  1. The openable portion of the window must be protected with—
    1. a device capable of restricting the window opening; or
    2. a screen with secure fittings.
  2. A device or screen required by (a) must—
    1. not permit a 125 mm sphere to pass through the window opening or screen; and
    2. resist an outward horizontal action of 250 N against the—
      1. window restrained by a device; or
      2. screen protecting the opening; and
    3. have a child resistant release mechanism if the screen or device is able to be removed, unlocked or overridden.

(3) A barrier with a height not less than 865 mm above the floor is required to an openable window—

  1. in addition to window protection, when a child resistant release mechanism is required by (2)(b)(iii); and
  2. where the floor below the window is 4 m or more above the surface beneath if the window is not covered by (1).

(4) A barrier covered by (3) except for (5) must not—

  1. permit a 125 mm sphere to pass through it; and
  2. have any horizontal or near horizontal elements between 150 mm and 760 mm above the floor that facilitate climbing.

(5) A barrier required by (3) to an openable window in—

  1. fire-isolated stairways, fire-isolated ramps and other areas used primarily for emergency purposes, excluding external stairways and external ramps; and
  2. Class 7 (other than carparks) and Class 8 buildings and parts of buildings containing those classes,

must not permit a 300 mm sphere to pass through it.

To limit the risk of a person (especially a young child) falling through an openable window.

Design solutions

The intent of D3D29 is to limit the risk of a person (especially a young child) falling through an openable window. Where the floor level below an openable window is less than 2 m there are no specific requirements. For an openable window in a bedroom of a Class 2 or 3 building or Class 4 part of a building or in a Class 9b early childhood centre 2 m or more above the surface beneath, openable windows are required to restrict the passage of a 125 mm sphere using any one of the following design solutions:

  • The window be designed such that any opening does not allow a 125 mm sphere to pass through (e.g. louvres).
  • The window be fitted with a fixed or dynamic device that is capable of restricting the window opening so it does not allow a 125 mm sphere to pass through and is difficult for a young child to operate. The restricting device must be capable of resisting a 250 N force when directed against the window such as a casement window or in attempting to push a sliding window open. An internal screen with similar parameters may be installed.
  • The window be fitted with an internal or external screen that does not allow a 125 mm sphere to pass through and which must resist a horizontal outward force of 250 N.

If the openable part of a window is at least 1.7 m above the floor, no further protection is required.

D3D29(2)(b)(iii) relates to a screen or window restricting device protecting an openable window in a bedroom of a Class 2 or 3 building or Class 4 part of a building or in a Class 9b early childhood centre. The screen or opening restricting device may be installed in a manner that allows it to be removed, unlocked or overridden in the event of a fire or other emergency to allow safe egress. In these situations the unlocking device must be child resistant.

Child resistance could be achieved through the use of a tool, key or two hands.

There are a number of hardware options available. Short chain winders and barrier screens will allow windows to comply with this requirement. Sliding window locks may lock a sash so a 125 mm sphere cannot pass through. Where provision is made to fully open the window beyond 125 mm then the child resistant release mechanism is required in addition to the device resisting a 250 N force as required by D3D29(2)(b)(ii).

D3D29(3) in addition prescribes that an 865 mm barrier (sill) would be required. A wall beneath an openable window can be considered as the barrier if the criteria in D3D29(4) are met.

D3D29(3)(b) relates to the height of a barrier under an openable window that is not in a bedroom in a Class 2 or 3 building or a Class 4 part of a building.

The term ‘window’ is not italicised in D3D29 and as such, is not restricted to the definition of ‘window’ in the NCC. The reason for this is to also capture windows that may let in air but not light, e.g. metal louvres. A metal louvre or openable panel would not fit in the NCC definition of window but is subject to the window barrier provisions.

(1) Notwithstanding D3D3(a), timber treads, risers, landings and associated supporting framework within a required fire-isolated stairway or fire-isolated passageway may be constructed from fire-protected timber in accordance with C2D13

  1. if the timber—
    1. has a finished thickness of not less than 44 mm; and
    2. has an average density of not less than 800 kg/m3 at a moisture content of 12%; and
  2. subject to—
    1. the building being protected throughout by a sprinkler system (other than a FPAA101D system) complying with Specification 17 which extends to within the fire-isolated enclosure; and
    2. fire protection being provided to the underside of stair flights and landings located immediately above a landing level which—
      1. is at or near the level of egress; or
      2. provides direct access to a carpark.

(2) Fire protection required by (1) must be not less than one layer of 13 mm fire-protective grade plasterboard fixed in accordance with the system requirements for a fire-protective covering.

To provide a concession to D3D3 for timber stairways.

D3D3 sets the criteria for the materials and methods of construction used in stairways and ramps within a fire-resisting shaft. The provision provides requirements for maintaining the integrity of the fire protection to the shaft of a fire-isolated stairway and ramp, by requiring a stairway or ramp to be constructed of non-combustible materials to ensure that if there is local failure it will not impair the fire-resistance of the shaft.

D3D30 provides a concession to the requirements of D3D3 allowing timber treads, risers, landings and associated supporting framework to be used within a fire-isolated stairway or fire-isolated passageway constructed of fire-protected timber provided:

  • the timber treads, risers, landings and associated supporting framework meets certain material requirements: 
  • the building is provided with a sprinkler system (including within the fire-isolated stairway or passageway); and
  • 13 mm fire-protective grade plasterboard is installed to the underside of flights and landings located directly above a landing level which is at or near the level of egress or provides direct access to car parking levels.

D3D30 applies to a fire-isolated stairway or fire-isolated passageway constructed of fire-protected timber, therefore the limitations of C2D13 apply. These limitations include a maximum effective height of 25 m and application only to Class 2, 3 and 5 buildings.

NCC Blurbs

In a Class 9b building used as an entertainment venue, a doorway in a path of travel must comply with NSW D3D24(2)(e).

NCC Title
Doors in paths of travel to an entertainment venue
NCC State
NSW
NCC Variation Type
Insertion
NCC SPTC Current
Doors in paths of travel to an entertainment venue